SCOPE Microfluidics

Context
Content
Conclusions
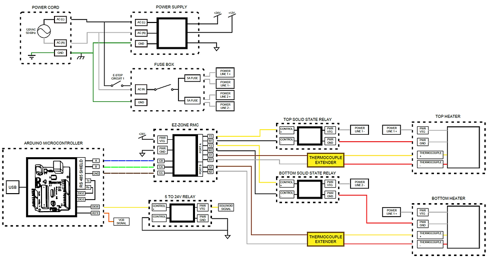
Over the course of the semester, we investigated continuous (roll-to-roll) embossing while drastically improving the cycle time of their hot-embossing method using our engineering design skills. Having a knowledge of materials science and mechanical, electrical and pneumatic systems, I served as the hardware system integrator of the team. I designed and built the pneumatic system, specced the heaters, and control hardware and contributed heavily to the ideation, mechanical design and fabrication. Our press was able to emboss microfluidic chips twenty six times faster than the prototype they gave us. We accomplished this dramatic speed increase by increasing heating power, increasing heating contact with the active surface, adding an active cooling system, and decreasing the thermal mass of the heated platens. This was all accompanied by an easy-to-use control system run in lab view where users could program the time-heat-pressure profiles required to get their desired product.
This team project was an exercise in scoping long-term projects correctly and being able to adjust when you invariably mis-judge your scope. My SCOPE team was one of the most fun and effective teams I had worked on at school. Individuals were communicative, capable, and hardworking and the team meshed well. Sub-teams were distributed based on working style and skill-set. However, we had initial aspirations of also creating a prototype roll-to-roll embossing machine. As we moved forward on the project, it became clear that making a machine capable of achieving the requirements we set was unreasonable in the amount of time we had. Initially we relaxed the specs then after the first semester, we decided to focus on delivering a single quality product instead of two sub-par ones. This discipline, while easy to understand in retrospect, was an incredibly useful lesson to live.
In my final semester at Olin, I took SCOPE (Senior Capstone Program in Engineering) as my capstone option. This program is structured as a consultancy where your assigned student team works with an external group to create a product or service. Throughout the year, we had numerous design reviews that culminated in both a mid-year report and final presentation to the external sponsors. My team worked with Brandeis Materials Research Science and Engineering Center. One of their main interests is the exploration of physical chemistry with microfluidic devices of their own design. They tasked us with developing a method to create thinner devices faster than their previous methods, identified hot-embossing as a possible candidate and provided a prototype press.








